振荡器
振荡器(Oscillator)在电路中用于生成时钟信号。振荡器根据原理可以分为以下的类型:
- Harmonic Oscillator:振荡器由放大器和滤波器组成,输出一个正弦时钟信号
- Relaxation Oscillator:输出方波或者锯齿波或者三角波时钟信号
晶体振荡器
晶体振荡器(Crystal oscillator)简称晶振,常见于 PCB,用来给芯片提供外部的时钟信号。实际上,晶振是个被动元件,也就是它不会自动生成时钟信号,还需要芯片内部的电路进行配合。
比较常见的使用晶振产生时钟信号的电路是 Pierce oscillator:
其中 \(U_1\) 是反相器(Inverter),\(X_1\) 是晶振。有时候电路还会添加上图中没有画出的额外的电阻或电容。
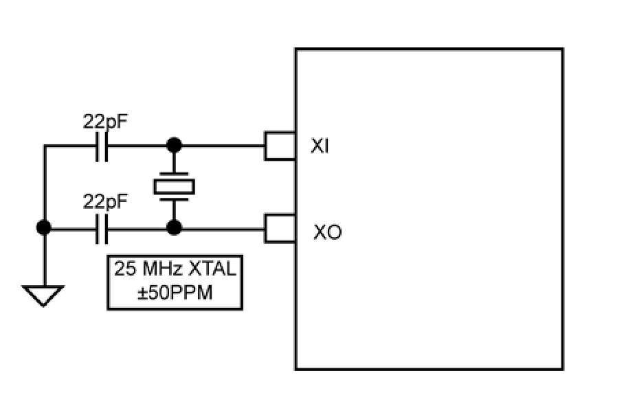
在嵌入式设计中,经常可以看到芯片有 XI 和 XO 引脚,连接到 PCB 上的晶振以及两个电容,实际上就对应了上图的 \(X_1\)、\(C_1\) 和 \(C_2\),而上图中的 \(U_1\) 和 \(R_1\) 放在芯片内部。因此在很多芯片的文档中,都可以看到类似下面的示意图:
这里的晶振(\(X_1\))是无源晶振,它可以认为是一个品质因数(Q factor)很高的滤波器,需要借助芯片内的振荡电路才可以产生时钟信号,无法独立工作,所以称作无源晶振。如果把 Pierce oscillator 电路和晶振组合在一个芯片里,就得到了有源晶振。很多芯片既支持无源晶振(接 XI 和 XO),又支持有源晶振(只接 XI,不接 XO)。
Pierce oscillator 输出的是正弦波,如果想要变成方波供数字电路使用,还需要再经过一个反相器。
常见的晶振材料有石英(Quartz)和陶瓷(Ceramics),一般石英精度更高。
XTAL 是 Crystal 的缩写,XO 是 Crystal Oscillator 的缩写。由于 XO 比 XTAL 多了一个振荡器,所以一般 XTAL 指的是无源晶振,也就是晶体本身,XO 指的是有源晶振。
Voltage Controlled Oscillator
Voltage Controlled Oscillator 是压控振荡器,缩写 VCO,意思是可以由电压控制的振荡器,在锁相环中可以看到 VCO 的身影。
以 LC 振荡电路为例,其振荡频率与电感和电容大小有关,如果可以控制电容大小,就可以间接地控制振荡器的振荡频率。而 P-N 结工作在反向偏置状态的时候,其电容大小与两端的电压相关,因此可以用 P-N 结和 LC 振荡电路来实现 VCO。

